Flanschenkugelhähne / Kugelhähne mit Flanschanschluss
Flanschenkugelhähne sind eine bevorzugte Wahl für Anwendungen, bei denen neben hervorragender Leistung und Zuverlässigkeit
auch eine einfache und kostengünstige Integration in die Rohrleitungssysteme und gefragt ist.
Der leichte Ein- und Ausbau der Flanschenkugelhähne ist aufgrund der genormten Baulängen sogar herstellerübergreifend problemlos möglich.
Kähler Flanschenkugelhähne sorgen für eine präzise Absperrung von Medienströmen und zeichnen sich sich durch eine robuste Bauweise und eine hohe Dichtigkeit aus.
Durch die Mehrteiligkeit des Gehäuses lassen sich unsere Flanschenkugelhähne leicht warten und punkten mit einer langen Lebensdauer.
Alle hier angebotenen Typen bieten optimale Leistung bei mittleren bis hohen Druck- und Temperaturbedingungen
und arbeiten sicher und zuverlässig auch unter anspruchsvollen Bedingungen.
Sie sind in unterschiedlichen Varianten und Ausführungen erhältlich,
sodass sie optimal auf die spezifischen Anforderungen Ihres Projekts abgestimmt werden können.
Kähler Flanschenkugelhähne kommen in einer Vielzahl von Anwendungen zum Einsatz, wie z.B. in Heiz- und Kühlsystemen oder Druckluft- und Ölnetzen
und eignen sich aufgrund ihrer Korrosionsbeständigkeit insbesondere auch für spezielle Medien z.B. in der chemischen Industrie oder der Pharmaindustrie.
Anwendungen Flanschenkugelhahn
- für viele unterschiedliche Anwendungen in Heiz- und Kühlsystemen, Druckluft- und Ölnetzen sowie in der chemischen Industrie oder der Pharmaindustrie konstruiert
- einsetzbar für Medien, wie z.B. Heizwarmwasser, Klima-Kaltwasser, Druckluft, Öl, Gas oder diverse Chemikalien
- Betriebsbedingungen gemäß Datenblatt
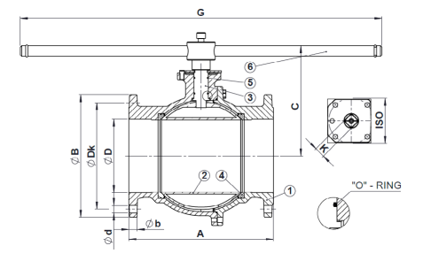
Konstruktion Flanschenkugelhahn
- zweiteiliges Gehäuse aus Sphäroguss in kompakter Bauweise
- schwimmende Kugel aus Edelstahl, Stahl, Messing oder Guss (abhängig von Modell und Nennweite) mit PTFE-Dichtschalen
- ausblassichere Spindel aus Edelstahl, Stahl oder Messing (abhängig von Modell und Nennweite)
- inkl. Handhebel und ISO-TOP Aufbauflansch nach DIN ISO5211 zur Anbringung von Stellantrieben
Ausführungen Flanschenkugelhahn
- Nennweiten:
DN25-250 - Druckstufen:
PN10-40 - Anschlussarten:
beidseitig Flansch - Durchgangsarten:
voller Durchgang - Betätigung:
Handhebel und ISO Aufbauflansch für Antriebs- und Zubehörmontage - Sonderlösungen:
maßgeschneiderte, kundenorientierte Sonderlösungen auf Anfrage
Eigenschaften Flanschenkugelhähne
Solide Konstruktion aus hochwertigen Materialien
- aus hochwertigen europäischen Materialien nach höchsten Qualitätsstandards hergestellt
- korrosionsbeständige Materialien und verschleißarme Komponenten
- hohe Benutzer- und Umwelfreundlichkeit
- hohe Energieeffizienz
- robust und zuverlässig auch bei hohem Druck und Temperaturen im Bereich zwischen -20°C und +200°C
- präzise Kugelventiltechnik für optimalen Durchfluss und minimalen Widerstand
- platzsparendes Design für enge Einbausituationen und optimale Raumnutzung
- unkomplizierter Dichtungs- oder Ersatzteilwechsel im fest eingebauten Zustand (gilt für alle dreiteiligen Modelle)
- lange Lebensdauer
Einfache Installation und Anwendung, gute Isolierbarkeit
- sicher, schnell und einfach zu installieren
- für viele unterschiedliche Anwendungen auch in anspruchsvollen Umgebungen geeignet
- niedriges Drehmoment
- dank Auf/Zu-Anschlag kein Durchrotieren der Kugel möglich
- deutliche Stellungsanzeige
- optimierte Dichtungssysteme für maximale Sicherheit
- gute und kostengünstige Isolierbarkeit
Das könnte Sie auch interessieren:
Rufen Sie uns an oder schreiben Sie uns per Email.
Tel. +49 (2174) 7848 - 0 | E-Mail: info@kaehler-armaturen.de | Beratungstermin vereinbaren





